9.4.1 ACB70x和Panasonic松下A6B系列伺服驅動器連接關系_20181206
|
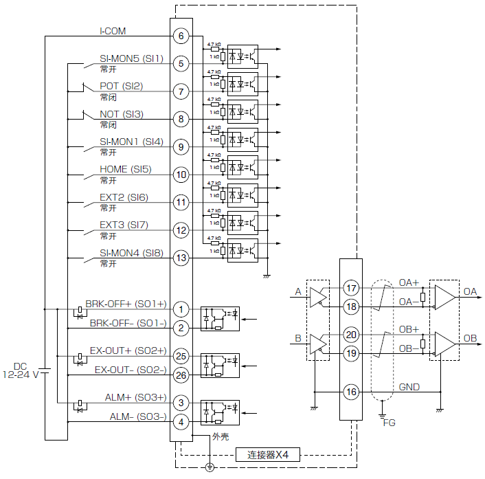
伺服端子 X4 (SCSI-26P) |
信號名 | 定義 | 備注 |
| 6 | I-COM | 磁性開關輸入 | +24V(黑) |
| 7 | POT (SI2) | 上磁性開關信號(棕) | |
| 8 | NOT (SI3) | 下磁性開關信號(棕) | |
| 2, 4, 26 | GND | 地(藍) | |
| 6 | I-COM |
抱閘輸出,接繼電器線圈, 正極回路為6腳 |
繼電器觸點接抱閘電機 |
| 1 | BRK-OFF+ (SO1+) | ||
| 6 | I-COM |
通訊指示,接正泰DC24V指示燈, 正極回路為6腳 |
使用在機柜的場合中, 僅接1#驅動器 |
| 25 | EX-OUT+ (SO2+) | ||
| 6 | I-COM |
狀態指示,接正泰DC24V指示燈, 正極回路為6腳 |
|
| 3 | ALM+ (SO3+) | ||
| 11 | EXT2 (SI6) |
啟動/暫停輸入,接正泰自復按鈕。 按鈕的另外一端接外部電源負極 |
|
| GND | |||
| 12 | EXT3 (SI7) |
歸零(停止)輸入,接正泰自復按鈕。 按鈕的另外一端接外部電源負極 |
|
| GND |

關鍵詞: MINAS,松下,A6B,EtherCAT,系列,伺服,驅動
400 025 3599 













在線咨詢 



